Описание Алюминиевая безлюфтовая полумуфта M 24/28 15-28
Муфта кулачковая прецизионная безлюфтовая TRASCO-ES служит для соединения ведущего (двигатель, редуктор) и ведомого (редуктор, вал трансмиссии и т.д.) элементов привода.
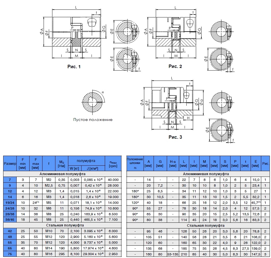
Безлюфтовые муфты состоят из следующих элементов: двух высокоточных ступиц (алюминиевых или стальных) и полиуретанового эластичного элемента (звездочки).
Благодаря специальной конструкции полиуретановых звездочек и более высокому классу точности размеров кулачков ступицы достигается нулевой люфт муфт в сборе. Это позволяет их использовать в высокоточном оборудовании, например в станках с ЧПУ.
Специально разработанные муфты TRASCO®ES с нулевым люфтом предназначены компенсировать смещение и гашения вибрации. Компактный дизайн делает эти муфты оптимальным решением для любого высокоточного оборудования.
Применение
- сервоприводы
- робототехника
- раздвижные системы
- контроллеры в металлообрабатывающих станках
- ШВП
Отзывы о Алюминиевая безлюфтовая полумуфта M 24/28 15-28
Вопросы и ответы (FAQ) Алюминиевая безлюфтовая полумуфта M 24/28 15-28



















