Описание Шкив зубчатый HTD-3M 16/9 1-6
У нас вы можете купить зубчатые шкивы для всех типов зубчатых ремней: HTD-3M, HTD-5M, HTD-8M, HTD-14M, T5, T10, T20, AT5, AT10, XL, L, H и др. Шкивы могут быть произведены из разных материалов - сталь или алюминий. Для полиуретановых ремней, это алюминий. Для неопреновых зубчатых ремней это в основном сталь, и алюминий для шкивов большого диаметра.
Зубчатые шкивы отличаются по способу монтажа, поставляются двух основных типов:
- под расточку посадку
- под коническую втулку
Отличие заключается в том, что в первом случае заказчик получает шкив с предварительно подготовленным отверстием небольшого диаметра и растачивает его до необходимого ему посадочного диаметра. Во втором случае, заказчик получает шкив с отверстием под коническую втулку. Коническая втулка приобретается дополнительно и выбирается конкретно под ваш посадочный диаметр.
Отзывы о Шкив зубчатый HTD-3M 16/9 1-6
Вопросы и ответы (FAQ) Шкив зубчатый HTD-3M 16/9 1-6
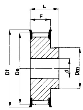
Габаритные размеры Шкив зубчатый HTD-3M 16/9 1-6

Модель |
Размеры, мм | |||||
| Dp | De | Df | Dm | F | L | |
| Шкив зубчатый HTD-3M 16/9 1-6 | 15,28 | 14,52 | 17,5 | 10 | 12,8 | 20,6 |















