Описание Шкив зубчатый HTD-3M 72/6 8-20
У нас вы можете купить зубчатые шкивы для всех типов зубчатых ремней: HTD-3M, HTD-5M, HTD-8M, HTD-14M, T5, T10, T20, AT5, AT10, XL, L, H и др. Шкивы могут быть произведены из разных материалов - сталь или алюминий. Для полиуретановых ремней, это алюминий. Для неопреновых зубчатых ремней это в основном сталь, и алюминий для шкивов большого диаметра.
Зубчатые шкивы отличаются по способу монтажа, поставляются двух основных типов:
- под расточку посадку
- под коническую втулку
Отличие заключается в том, что в первом случае заказчик получает шкив с предварительно подготовленным отверстием небольшого диаметра и растачивает его до необходимого ему посадочного диаметра. Во втором случае, заказчик получает шкив с отверстием под коническую втулку. Коническая втулка приобретается дополнительно и выбирается конкретно под ваш посадочный диаметр.
Отзывы о Шкив зубчатый HTD-3M 72/6 8-20
Вопросы и ответы (FAQ) Шкив зубчатый HTD-3M 72/6 8-20
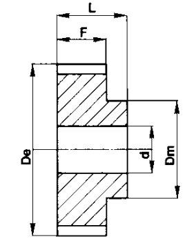
Габаритные размеры Шкив зубчатый HTD-3M 72/6 8-20

Модель |
Размеры, мм | |||||
| Dp | De | Df | Dm | F | L | |
| Шкив зубчатый HTD-3M 72/6 8-20 | 68,75 | 67,99 | - | 33 | 10,3 | 18,6 |

















