Корзина
Ваша корзина пуста!
Это никогда не поздно исправить :)
Зубчатые шкивы Т10 применяется с ремнями профилей Т10 из полиуретана (в большинстве случаев).
Направляющая обода:
Зубчатые шкивы отличаются по способу монтажа, поставляются двух основных типов:
Отличие заключается в том, что в первом случае заказчик получает шкив с предварительно подготовленным отверстием небольшого диаметра и растачивает его до необходимого ему посадочного диаметра. Во втором случае, заказчик получает шкив с отверстием под коническую втулку. Коническая втулка приобретается дополнительно и выбирается конкретно под ваш посадочный диаметр.
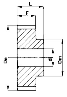
Габаритные размеры Шкив зубчатый T10 60/190.97-66

Модель |
Размеры, мм | ||||||
| Dp | De | Df | Dm | F | L | d | |
| Шкив зубчатый T10 60/190.97-66 | 190,98 | 189,1 | - | 110 | 56 | 66 | 16 |