Описание Электродвигатель передвижения MMotors МА 71 В-6B с тормозом
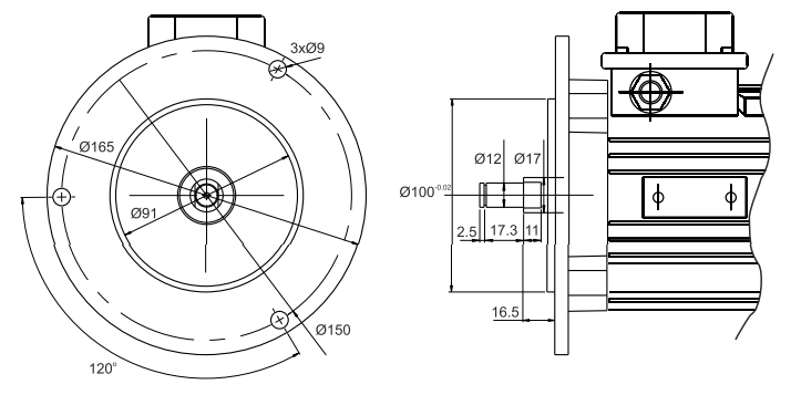
Асинхронные односкоростные приводы MMotors (Болгария) разработаны для грузоподъемного оборудования. Электродвигатель МА 71 B-6B для канатных тельферов и талей грузоподъемностью от 2 до 3,2 тонн. Встроенный тормоз обеспечивает сохранность грузов при остановке площадки на определенной высоте, позволяет избежать инерционного движения тали. Конусный компактный привод монтируется непосредственно на ходовую тележку.По техническим характеристикам привод аналогичен модификации КК1405-6. Стальной конусный корпус обеспечивает защиту от пыли, влаги. Температурный датчик контролирует нагрев обмоток, не допускает перегрева. За счет большого пускового момента удается быстро разогнать ротор при включении. Двигатель рекомендуется для постоянного и цикличного режима работы с частыми остановками. Фланец F150.
Отзывы о Электродвигатель передвижения MMotors МА 71 В-6B с тормозом
Вопросы и ответы (FAQ) Электродвигатель передвижения MMotors МА 71 В-6B с тормозом
Габаритные размеры Электродвигатель передвижения MMotors МА 71 В-6B с тормозом











