Описание Электродвигатель АИМ 112 МА8 (АИМ112МА8) 2,2 кВт 750 об/мин
Применение и назначение
Серия асинхронных взрывозащищенных электродвигателей АИМ, предназначены для эксплуатации во взрывоопасных зонах, взрывоопасных процессов и производств. Линейка этой серии взрывозащищенных двигателей состоит из 63, 71, 80, 90, 100, 112, 132, 160, 180, 200,225,250, 280, 315 и 355 типоразмеров; с количеством полюсов 2, 4, 6, 8 и 10. Взрывозащищенность электродвигателей серии АИМ имеют взрывозащиту РВЕхdI и ЕхdIIBT4. Эксплуатация взрывозащищенных двигателей серии АИМ предусмотрена на высоте над уровнем моря до1000 м, хотя работоспособность они сохраняют и на высоте свыше 1000м до высоты 4300 м над уровнем моря, при этом происходит снижение мощности двигателей. В климатическом исполнении взрывозащищенные двигатели АИМ выпускаются исполнений – У, УХЛ и Т, при категориях размещения 1,2 и 5. По способу монтажа электродвигатели взрывозащищенные данной серии могут изготавливаться в трех универсальных конструктивных исполнениях IM 1081, IM 3081, IM 2081. Рассчитаны для работы в режиме S1.
Асинхронные электродвигатели серий:
- АИМ, АИУ выпускаются с привязкой мощностей к типоразмерам согласно ГОСТ 183-74;
- 2АИМ, 2АИУ выпускаются с привязкой мощностей к типоразмерам согласно DIN 42673 и DIN 42677 (CENELEC).
Маркировка электродвигателя АИМ 112 МА8
Для идентификации параметров электродвигателя используется код, состоящий из шести позиций. Ниже приведен пример кода и описание каждой позиции. Для уплотнения кабеля во вводном устройстве двигателя установлены: резиновое уплотнительное кольцо и муфта нажимная. Вводное устройство предусматривает ввод кабелей круглого сечения с медными жилами. Выводные концы обмотки статора припаяны к контактным болтам, которые изолированы от корпуса вводного устройства при помощи изоляторов, выполненных из прессматериала.
Конструктивное исполнение
Конструктивно взрывозащищенные электродвигатели АИМ состоят из следующих основных деталей и сборочных единиц: станины (с продольными охлаждающими ребрами), ротора, вентилятора, кожуха, подшипниковых щитов и вводного устройства (клеммная коробка). Станина подшипниковые щиты и клеммная коробка двигателя выполнены из высококачественного серого чугуна. В станину двигателя запрессован сердечник с обмоткой и застопорен винтом. Обмотка выполнена из круглого медного эмалированного провода с изоляцией класса нагревостойкости «F» по ГОСТ 8865-87. Ротор состоит из вала и запрессованного на него сердечника, пазы которого залиты алюминием. Ротор каждого электродвигателя подлежит балансировке. Форма балансировочных грузов, способ крепления исключает их отрыв и повреждение обмотки в процессе работы. Сердечники статора и ротора набираются из штампованных листов холоднокатаной электротехнической стали (легированной кремнием), тем самым, способствуя повышению не только коэффициента полезного действия, но и коэффициента мощности. Листы электротехнической стали подвергаются отжигу для удаления образовавшегося наклепа в процессе их штамповки, после чего поверхности листа покрываются термостойким электроизоляционным покрытием. Уменьшение магнитных потерь и как следствие снижение нагрева электродвигателя способствуют увеличению его срока службы. Подшипниковые щиты крепятся к станине болтами. Подшипниковый узел со стороны выступающего конца вала имеет пружину осевого под- жатия. В подшипниковых узлах двигателей установлены шариковые однорядные радиальные подшипники с двумя защитными шайбами. Охлаждение двигателей осуществляется внешним центробежным вентилятором, расположенным на валу двигателя со стороны, противоположной приводу, закрепленный шпонкой, и закрытого защитным стальным кожухом. Усовершенствованная форма крыльчатки вентилятора, а также увеличение поверхности теплоотвода уменьшают общий нагрев электродвигателя и способствуют выравниванию температуры, тем самым, исключая локальные перегревы отдельных участков и узлов, способ охлаждения IC0141 по ГОСТ 20459. В верхней части двигателя расположено вводное устройство. Крепление вводного устройства допускает поворот на угол, кратный 90° в плоскости установки, но не бо- лее 1800 С в одну сторону, обеспечивая таким образом подвод питающего кабеля с любой сто- роны. Для уплотнения кабеля во вводном устройстве двигателя установлены: резиновое уп- лотнительное кольцо и муфта нажимная. Вводное устройство предусматривает ввод кабелей круглого сечения с медными жилами. Выводные концы обмотки статора припаяны к контактным болтам, которые изолированы от корпуса вводного устройства при помощи изоляторов, выполненных из прессматериала.
Монтаж и эксплуатация электродвигателя АИМ 112 МА8
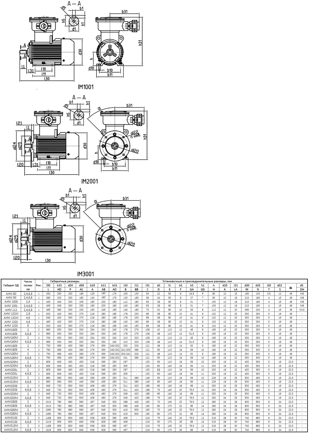
Двигатели серий АИМ имеют различные конструктивные исполнения по способу монтажа в
зависимости от габарита. Условные обозначения монтажных исполнений в соответствии с ГОСТ
2479 (МЭК 60 34-7).
Первая цифра в обозначении - конструктивное исполнение двигателя:
- двигатель на лапах с подшипниковыми щитами;
- двигатель на лапах с подшипниковыми щитами и фланцем на одном подшипниковом щите
- двигатель без лап с подшипниковыми щитами и фланцем на одном подшипниковом щите
- двигатель без станины, подшипниковых щитов и вала.
Вторая и третья цифры в обозначении - способ монтажа двигателя (смотрите таблицу ниже)
Четвертая цифра в обозначении - исполнение вала двигателя:
- с одним цилиндрическим концом вала;
- с двумя цилиндрическими концами вала (изготавливаются по заказу потребителя)
Двигатели имеют изоляционную систему класса нагревостойкости F (температурный индекс
155°С). При этом превышение температуры обмоток статора над температурой окружающей
среды двигателей, имеющих сервис-фактор 1,15 - не более 83°С, двигателей, имеющих сервис-
фактор 1,1 - не более 90°С.
Технические характеристики АИМ 112 МА8
Отзывы о Электродвигатель АИМ 112 МА8 (АИМ112МА8) 2,2 кВт 750 об/мин
Вопросы и ответы (FAQ) Электродвигатель АИМ 112 МА8 (АИМ112МА8) 2,2 кВт 750 об/мин
Габаритные, установочные и присоединительные размеры







