Пн-Пт 9:00-18:00;
Сб-Вс выходной


Электродвигатель АИМ 280 S8 (АИМ280S8) 55 кВт 750 об/мин

New
Электродвигатель АИМ 280 S8 (АИМ280S8) 55 кВт 750 об/мин
Электродвигатель АИМ 280 S8 (АИМ280S8) 55 кВт 750 об/мин
Электродвигатель АИМ 280 S8 (АИМ280S8) 55 кВт 750 об/мин
Модель: 1113317
Оплата
Безналичный платеж с НДС
Безналичный платеж с НДС
Оплата при получении
Оплата при получении
LiqPay
LiqPay
Доставка
Новая почта
Самовывоз
In Stock
0.00грн.

Описание Электродвигатель АИМ 280 S8 (АИМ280S8) 55 кВт 750 об/мин

Применение и назначение

Серия асинхронных взрывозащищенных электродвигателей АИМ, предназначены для эксплуатации во взрывоопасных зонах, взрывоопасных процессов и производств. Линейка этой серии взрывозащищенных двигателей состоит из 63, 71, 80, 90, 100, 112, 132, 160, 180, 200,225,250, 280, 315 и 355 типоразмеров; с количеством полюсов 2, 4, 6, 8 и 10. Взрывозащищенность электродвигателей серии АИМ имеют взрывозащиту РВЕхdI и ЕхdIIBT4. Эксплуатация взрывозащищенных двигателей серии АИМ предусмотрена на высоте над уровнем моря до1000 м, хотя работоспособность они сохраняют и на высоте свыше 1000м до высоты 4300 м над уровнем моря, при этом происходит снижение мощности двигателей. В климатическом исполнении взрывозащищенные двигатели АИМ выпускаются исполнений – У, УХЛ и Т, при категориях размещения 1,2 и 5. По способу монтажа электродвигатели взрывозащищенные данной серии могут изготавливаться в трех универсальных конструктивных исполнениях IM 1081, IM 3081, IM 2081. Рассчитаны для работы в режиме S1.

Асинхронные электродвигатели серий:

- АИМ, АИУ выпускаются с привязкой мощностей к типоразмерам согласно ГОСТ 183-74;

- 2АИМ, 2АИУ выпускаются с привязкой мощностей к типоразмерам согласно DIN 42673 и DIN 42677 (CENELEC).

Маркировка электродвигателя АИМ 280 S8

Для идентификации параметров электродвигателя используется код, состоящий из шести позиций. Ниже приведен пример кода и описание каждой позиции. Для уплотнения кабеля во вводном устройстве двигателя установлены: резиновое уплотнительное кольцо и муфта нажимная. Вводное устройство предусматривает ввод кабелей круглого сечения с медными жилами. Выводные концы обмотки статора припаяны к контактным болтам, которые изолированы от корпуса вводного устройства при помощи изоляторов, выполненных из прессматериала.



Конструктивное исполнение

Конструктивно взрывозащищенные электродвигатели АИМ состоят из следующих основных деталей и сборочных единиц: станины (с продольными охлаждающими ребрами), ротора, вентилятора, кожуха, подшипниковых щитов и вводного устройства (клеммная коробка). Станина подшипниковые щиты и клеммная коробка двигателя выполнены из высококачественного серого чугуна. В станину двигателя запрессован сердечник с обмоткой и застопорен винтом. Обмотка выполнена из круглого медного эмалированного провода с изоляцией класса нагревостойкости «F» по ГОСТ 8865-87. Ротор состоит из вала и запрессованного на него сердечника, пазы которого залиты алюминием. Ротор каждого электродвигателя подлежит балансировке. Форма балансировочных грузов, способ крепления исключает их отрыв и повреждение обмотки в процессе работы. Сердечники статора и ротора набираются из штампованных листов холоднокатаной электротехнической стали (легированной кремнием), тем самым, способствуя повышению не только коэффициента полезного действия, но и коэффициента мощности. Листы электротехнической стали подвергаются отжигу для удаления образовавшегося наклепа в процессе их штамповки, после чего поверхности листа покрываются термостойким электроизоляционным покрытием. Уменьшение магнитных потерь и как следствие снижение нагрева электродвигателя способствуют увеличению его срока службы. Подшипниковые щиты крепятся к станине болтами. Подшипниковый узел со стороны выступающего конца вала имеет пружину осевого под- жатия. В подшипниковых узлах двигателей установлены шариковые однорядные радиальные подшипники с двумя защитными шайбами. Охлаждение двигателей осуществляется внешним центробежным вентилятором, расположенным на валу двигателя со стороны, противоположной приводу, закрепленный шпонкой, и закрытого защитным стальным кожухом. Усовершенствованная форма крыльчатки вентилятора, а также увеличение поверхности теплоотвода уменьшают общий нагрев электродвигателя и способствуют выравниванию температуры, тем самым, исключая локальные перегревы отдельных участков и узлов, способ охлаждения IC0141 по ГОСТ 20459. В верхней части двигателя расположено вводное устройство. Крепление вводного устройства допускает поворот на угол, кратный 90° в плоскости установки, но не бо- лее 1800 С в одну сторону, обеспечивая таким образом подвод питающего кабеля с любой сто- роны. Для уплотнения кабеля во вводном устройстве двигателя установлены: резиновое уп- лотнительное кольцо и муфта нажимная. Вводное устройство предусматривает ввод кабелей круглого сечения с медными жилами. Выводные концы обмотки статора припаяны к контактным болтам, которые изолированы от корпуса вводного устройства при помощи изоляторов, выполненных из прессматериала.

Монтаж и эксплуатация электродвигателя АИМ 280 S8

Двигатели серий АИМ имеют различные конструктивные исполнения по способу монтажа в

зависимости от габарита. Условные обозначения монтажных исполнений в соответствии с ГОСТ

2479 (МЭК 60 34-7).

Первая цифра в обозначении - конструктивное исполнение двигателя:

  • двигатель на лапах с подшипниковыми щитами;
  • двигатель на лапах с подшипниковыми щитами и фланцем на одном подшипниковом щите
  • двигатель без лап с подшипниковыми щитами и фланцем на одном подшипниковом щите
  • двигатель без станины, подшипниковых щитов и вала.

Вторая и третья цифры в обозначении - способ монтажа двигателя (смотрите таблицу ниже)

Четвертая цифра в обозначении - исполнение вала двигателя:

  • с одним цилиндрическим концом вала;
  • с двумя цилиндрическими концами вала (изготавливаются по заказу потребителя)

Двигатели имеют изоляционную систему класса нагревостойкости F (температурный индекс

155°С). При этом превышение температуры обмоток статора над температурой окружающей

среды двигателей, имеющих сервис-фактор 1,15 - не более 83°С, двигателей, имеющих сервис-

фактор 1,1 - не более 90°С.


Технические характеристики АИМ 280 S8


 

Характеристики
Бренд Украина
Гарантия (мес.) 2700 mm
Класс защиты IPX54
Коэффициент мощности 585 m
КПД 19.5 mm
Масса 690 kg
Мощность Салатовый
Напряжение 380 B
Страна-производитель Украина
Тип электродвигателя взрывозащищенный
Ток 111 A
Уровень звукового давления 838 mm
Число полюсов 140 kg

Отзывы о Электродвигатель АИМ 280 S8 (АИМ280S8) 55 кВт 750 об/мин

0
0
0
0%
0
0%
0
0%
0
0%
0
0%
Нет отзывов о данном товаре.

Вопросы и ответы (FAQ) Электродвигатель АИМ 280 S8 (АИМ280S8) 55 кВт 750 об/мин

Нет вопросов об этом товаре.

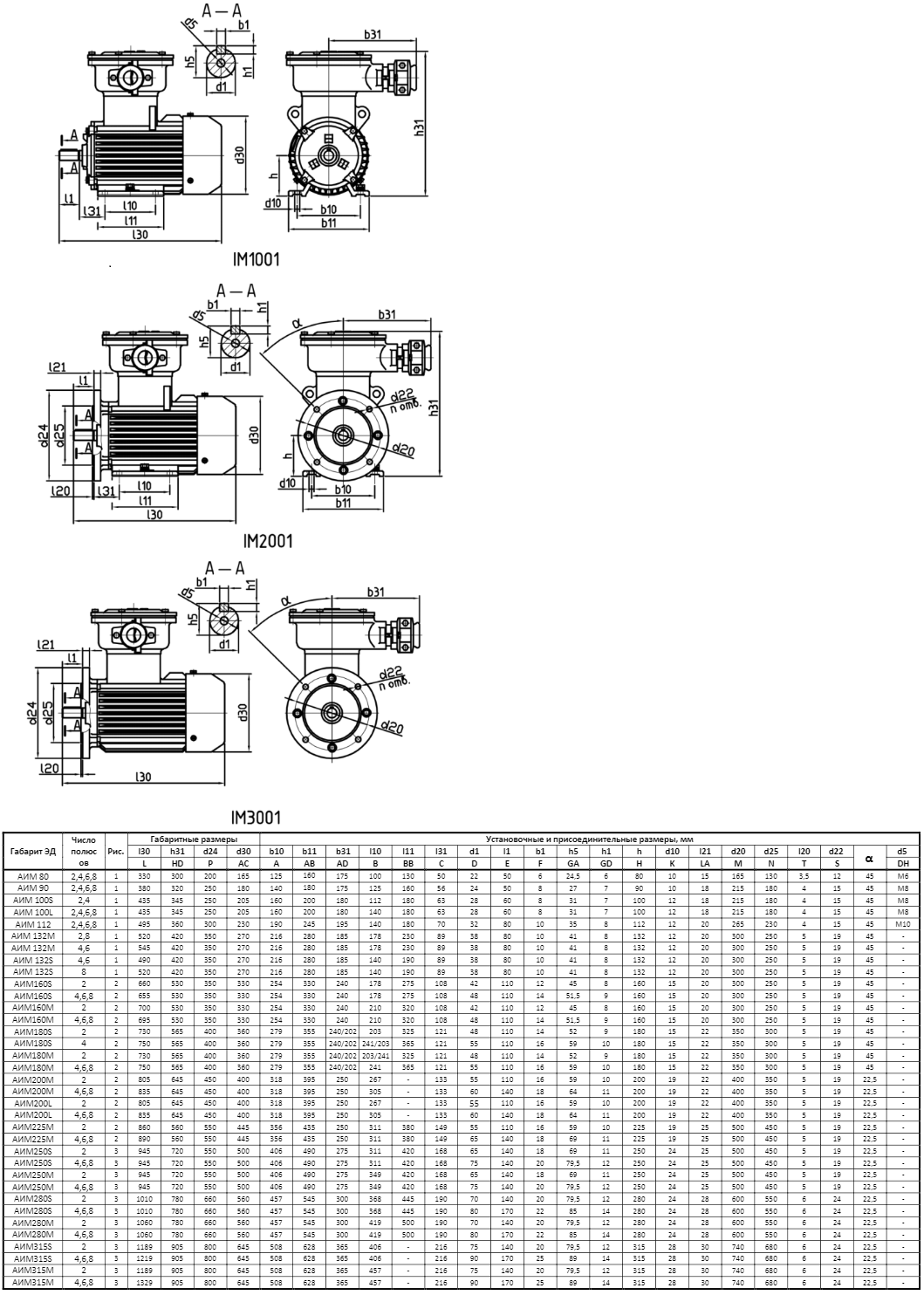
Габаритные, установочные и присоединительные размеры


Недавно просмотренные
New
Рекуператор ТвинФреш С-60
В наличии
Модель: 1116109
8945.00грн.
icon_viber Viber icon_teleg Telegram icon_whatsapp WatsApp icon_callback Заказать звонок icon_email Написать на почту