Корзина
Ваша корзина пуста!
Это никогда не поздно исправить :)
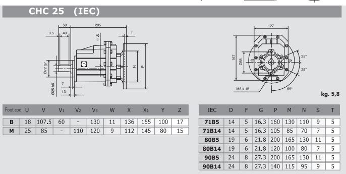
Соосно-цилиндрический редуктор применяется для передачи вращательного движения между параллельными или соосными валами. Данные редукторы увеличивают крутящий момент и снижают частоту вращения, применяются в высоко нагруженных механизмах с широким диапазоном скоростей. Обладают высоким КПД и могут комплектоваться с асинхронными электродвигателями Chiaravalli. Являются самыми экономически эффективными для большинства задач с использованием электропривода. Возможность крепления к оборудованию: фланцевое или крепление на лапах.
| МОДЕЛЬ | Передаточное отношение |
Cкорость на выходе, n2 (оборотов) |
Обороты двигателя (1400) | n% | ||
| Мощность, кВт |
M2 | f.s. | ||||
| CHC 25 P | 120 | 46,5 | 0,66 | 30,1 | 1 | 87 |
| 120 | 40,6 | 34,5 | 1 | 93 | ||
| 100 | 35,9 | 81,9 | 1 | 88 | ||
| 100 | 17,1 | 94,6 | 1 | 86 | ||
| 120 | 9,9 | 116 | 1 | 83 | ||
| 80 | 12,1 | 141 | 1 | 78 | ||
| 60 | 7,4 | 2,8 | 190 | 1 | 68 | |
| 60 | 5,5 | 257 | 1 | 52 | ||
