Корзина
Ваша корзина пуста!
Это никогда не поздно исправить :)
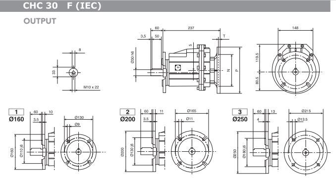
Соосно-цилиндрический редуктор применяется для передачи вращательного движения между параллельными или соосными валами. Данные редукторы увеличивают крутящий момент и снижают частоту вращения, применяются в высоко нагруженных механизмах с широким диапазоном скоростей. Обладают высоким КПД и могут комплектоваться с асинхронными электродвигателями Chiaravalli. Являются самыми экономически эффективными для большинства задач с использованием электропривода. Возможность крепления к оборудованию: фланцевое или крепление на лапах.
| МОДЕЛЬ | Передаточное отношение |
Cкорость на выходе, n2 (оборотов) |
Обороты двигателя (1400) | n% | ||
| Мощность, кВт |
M2 | f.s. | ||||
| CHC 30 F | 300 | 51,5 | 0,89 | 27,3 | 1 | 95 |
| 300 | 44,2 | 31,7 | 1 | 76 | ||
| 300 | 34,2 | 40,9 | 1 | 92 | ||
| 280 | 30,6 | 45,8 | 1 | 86 | ||
| 280 | 21,2 | 76,9 | 1 | 83 | ||
| 250 | 10,9 | 91,5 | 1 | 78 | ||
| 180 | 7,9 | 4,17 | 111 | 1 | 65 | |
| 150 | 5,5 | 255 | 1 | 68 | ||
