Пн-Пт 9:00-18:00;
Сб-Вс выходной


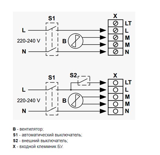
Переключатель скоростей ВЕНТС БУ-1-60

New
Переключатель скоростей ВЕНТС БУ-1-60
Модель: 1122769
Оплата
Безналичный платеж с НДС
Безналичный платеж с НДС
Оплата при получении
Оплата при получении
LiqPay
LiqPay
Доставка
Новая почта
Самовывоз
В наличии
1664.00грн.

Описание Переключатель скоростей ВЕНТС БУ-1-60

ПРИМЕНЕНИЕ

  • Предназначен для автоматизации и управления работой бытовых вентиляторов.
  • Включает в себя автоматические функции управления с применением таймера, датчика влажности, фотореле, датчика движения.
  • Эти функции можно использовать в любом необходимом пользователю сочетании.
  • Допускается управление несколькими вентиляторами, если суммарный потребляемый ток не превышает предельно допустимой величины тока блока управления.

КОНСТРУКЦИЯ

  • Корпус блока управления изготовлен из высококачественного пластика.
  • Лицевая панель оснащена индикаторными лампами, сигнализирующих об активации режимов блока управления.
  • Работает в автоматическом режиме, в зависимости от выбранного режима. При помощи переключателей можно задействовать те или иные режимы работы, в зависимости от того, какой требует конкретная ситуация. Существует несколько модификаций блоков управления:
  • Таймер задержки отключения вентилятора позволяет вентилятору продолжить работу определенное время после выключения встроенного или внешнего выключателя, что позволяет вентилятору дополнительно проветривать помещение. Через установленное время (от 5 сек. до 30 мин.) блок управления отключит вентилятор.
  • Таймер циклической работы: циклический режим работы позволяет включать и выключать вентилятор с заданными интервалами времени. Время работы или паузы регулируется в пределах от 5 сек. до 30 мин. Вентилятор включается и работает в течение предустановленного времени. Затем следует пауза, продолжительность которой зависит от установленного значения. Затем цикл работы вентилятора повторяется.
  • Датчик контроля влажности включает вентилятор, если заданный уровень влажности в помещении превышен. При снижении влажности блок управления отключит вентилятор. Пользователь самостоятельно может отрегулировать необходимый процент влажности в зависимости от личных предпочтений.
  • Датчик освещенности: Встроенный фотодатчик реагирует на изменение освещенности в помещении и автоматически включает вентилятор. Доступны два режима работы:
  • «Режим темно»: блок управления включает вентилятор после выключения освещения в помещении. Длительность работы задается в пределах от 5 сек. до 30 мин. Порог срабатывания фотореле задается при помощи регулятора.
  • «Режим светло»: блок управления включает вентилятор после включения освещения в помещении. После выключения освещения вентилятор продолжает работать и отключается по таймеру задержки выключения, который можно регулировать в пределах от 5 сек. до 30 минут. Если освещение в помещении остается включенным более 60 минут, то вентилятор отключается. Порог срабатывания фотореле задается при помощи регулятора.
  • Датчик движения встроенный датчик движения реагирует на появление человека в помещении в пределах зоны чувствительности и автоматически включает вентилятор. После прекращения движения блок управления отключит вентилятор по таймеру задержки отключения, который можно отрегулировать в пределах от 5 сек. до 30 минут. Датчик движения удобен для управления вентиляторами, установленными в местах периодического пребывания людей. Зона действия датчика движения ограничена расстоянием в 4 м и углом обзора в 100о.

МОНТАЖ

  • Установка блока управления осуществляется внутри помещений.
  • Монтаж может осуществляться как непосредственно возле вентилятора, так и на некотором удалении от него.
  • При выборе места установки блока управления с датчиком движения необходимо учитывать планировку мебели в помещении и пути перемещения людей.

 

Характеристики
Бренд Vents
Габаритные размеры (ВхШхГ).0 151 mm
Габаритные размеры (ВхШхГ).1 46 mm
Габаритные размеры (ВхШхГ).2 27 mm
Диапазон температур для эксплуатации 38.8 mm
Класс защиты IPX40
Масса 0.075 kg
Материал корпуса пластик
Напряжение 220 B
Страна-производитель Украина
Тип Переключатель скоростей
Ток 0.3 A

Отзывы о Переключатель скоростей ВЕНТС БУ-1-60

0
0
0
0%
0
0%
0
0%
0
0%
0
0%
Нет отзывов о данном товаре.

Вопросы и ответы (FAQ) Переключатель скоростей ВЕНТС БУ-1-60

Нет вопросов об этом товаре.
Рекомендуемые товары
Недавно просмотренные
Hit
New
Переключатель скоростей ВЕНТС РТС-1-400
В наличии
Модель: 1122768
1804.00грн.
Hit
New
Циклон 4БЦШ-500
В наличии
Модель: 1008594
90400.00грн.
New
Калорифер канальный Тепломаш КЭВ-60К400х700Е
In Stock
Модель: 1010537
0.00грн.
New
Насос центробежный AQUATICA 3QJD2-8-0.25
В наличии
Модель: 1141204
3683.00грн.
New
Циклон 4БЦШ-275
В наличии
Модель: 1008604
36400.00грн.
New
Вентилятор ВВД №11,2 исп. №1 (пустотка)
В наличии
Модель: 1013135
82818.00грн.
Hit
New
Вентилятор радиальный KalVent KOBR 200 T 2K
В наличии
Модель: 1123437
8480.00грн.
Hit
New
Амортизатор резино-металлический 50-45 тип 4
В наличии
Модель: 1130783
447.00грн.
Hit
New
Вентилятор пылевой ВЦП 5-45 (ВРП) №4 (4,0/3000), исп. №1
В наличии
Модель: 1000269
17286.00грн.
Hit
New
Насос центробежный AQUATICA 3QJD2-15-0.55
В наличии
Модель: 1141206
4139.00грн.
icon_viber Viber icon_teleg Telegram icon_whatsapp WatsApp icon_callback Заказать звонок icon_email Написать на почту