Пн-Пт 9:00-18:00;
Сб-Вс выходной


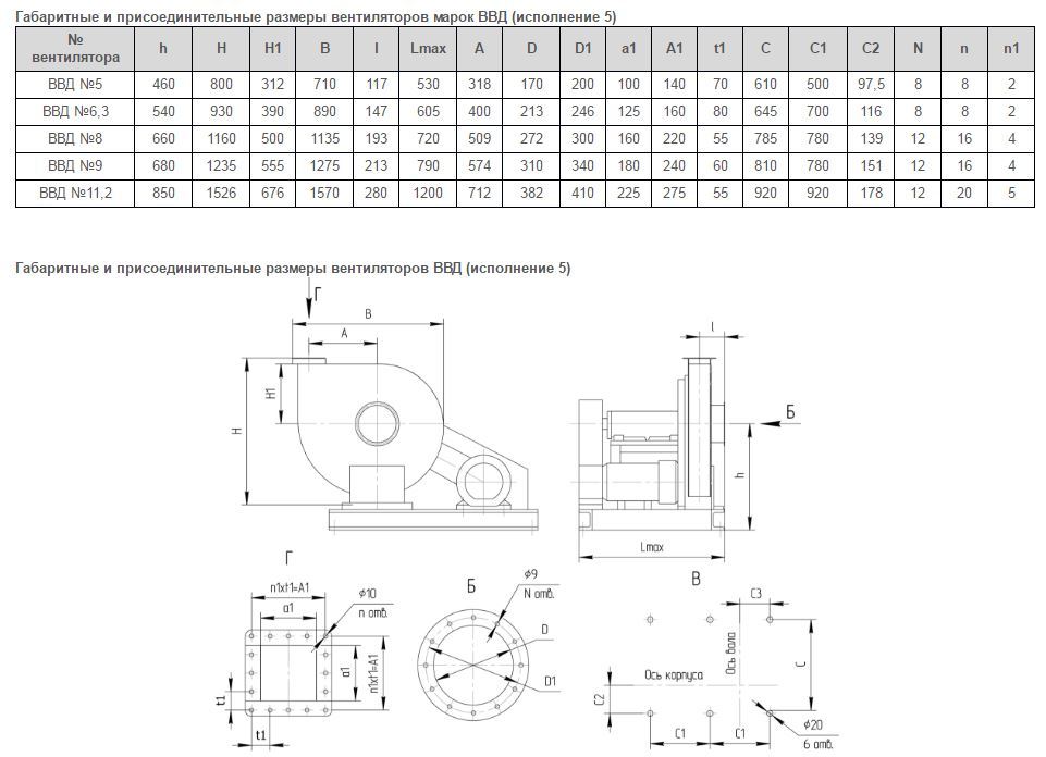
Вентилятор высокого давления ВВД №6,3 (11,0/3000), исп. №5

New
Вентилятор высокого давления ВВД №6,3 (11,0/3000), исп. №5
Вентилятор высокого давления ВВД №6,3 (11,0/3000), исп. №5
Модель: 1000176
Оплата
Безналичный платеж с НДС
Безналичный платеж с НДС
Оплата при получении
Оплата при получении
LiqPay
LiqPay
Доставка
Новая почта
Самовывоз
В наличии
80797.00грн.

Описание Вентилятор высокого давления ВВД №6,3 (11,0/3000), исп. №5


Вентилятор ВВД №6,3 (11,0/3000) (ВР 154-21) можно эксплуатировать в макро­климатических районах с умеренным «У» климатом 2-й или 3-й категории размещения по ГОСТ 15150-69. При обеспечении защиты электродвигателя от прямого воздействия солнечного излучения и атмосферных осадков, допускается эксплуатировать вентиляторы в условиях умеренного климата 1-й категории размещения. Температура окружающей среды от -40°С до +40°С.

Вентиляторы высокого давления ВВД №6,3 (11,0/3000) предназначены для перемещения воздуха и других газовых смесей с температурой до +80°С, не содержащих липких и длинноволокнистых веществ. Содержание пыли в перемещаемой среде не должно превышать 100 мг/м3. Исполнение по схеме №1.

Общая информация о центробежных (радиальных) вентиляторах высокого давления ВВД №6,3 (11,0/3000) (ВР 154-21)
  • Одностороннего всасывания
  • Корпус спиральный поворотный
  • Вперед загнутые лопатки
  • Количество лопаток - 12
  • Направление вращения - правое и левое

Вентиляторы ВВД №6,3 (11,0/3000) применяются:
  • в системах кондиционирования воздуха, вентиляции и воздушного отопления производственных, общественных и жилых зданий
  • для подачи воздуха в вагранки, сушильные печи
  • в вентиляционных системах зерновых элеваторов и глубоких шахт
  • для транспортировки пыли и , легких сыпучих материалов
  • для других санитарно-производственных целей


Положение корпуса вентилятора

Вид со стороны всасывания


Вентиляторы ВВД №6,3 (11,0/3000) изготавливаются:
  • из углеродистой стали
  • из нержавеющей стали
  • из разнородных металлов
  • из алюминиевых сплавов

Допустимая вибрация вентилятора - до 5 мм/с

Комплектация и принцип работы вентилятора высокого давления ВВД №6,3 (11,0/3000)

Вентилятор ВВД №6,3 (11,0/3000) состоит из таких основных узлов:
  • рабочее колесо;
  • корпус спиральный;
  • электродвигатель АИР 132 М2 11 кВт 3000 об./мин;
  • патрубок входной;
  • подшипниковый узел (ходовая часть);
  • станина;
  • рама;
  • клиноременная передача: клиновые ремни, ведущий и ведомый шкивы (в случае исполнения №5);
  • салазки с натяжным устройством (в случае исполнения №5);
  • ограждение клиноременной передачи (в случае исполнения №5).

Конструкция рабочего колеса – турбинного типа, имеет 12 лопаток. Лопатки крепятся электросваркой к переднему и заднему дискам. Задний диск крепится к втулке (ступице) за лепками. Материал дисков и лопаток – Листовая сталь, втулки – серый чугун. Назначение колеса – создать разряжение в зоне всасывания и избыточное давление в зоне нагнетания. Рабочее колесо может быть правого и левого вращения.

Корпус спиральный сваривается из листового и сортового стального проката. Спиральный корпус может быть левого и правого вращения. Поверхности рабочего колеса и спирального корпуса, соприкасающихся с перемещаемой средой, образуют проточную полость. Назначение корпуса – формирование потоков всасывания и нагнетания.

 

Характеристики
Гарантия (мес.) 2700 mm
Диаметр воздуховода 630 mm
Диапазон температур для эксплуатации 38.8 mm
Допустимая вибрация вентилятора 561 kg
Исполнение 5
Макс. темп. перемещаемого воздуха 80 C
Масса 433 kg
Материал корпуса сталь
Мощность 11 KW
Напряжение 380 B
Полное давление 5 kg
Предельная концентрация грязи и пыли 905 kg
Предельно-допустимая темп-ра газовых смесей 80 C
Производительность 300 mm
Страна-производитель Украина
Тип вентилятора высокого давления
Частота вращения, об/мин 1540 m

Отзывы о Вентилятор высокого давления ВВД №6,3 (11,0/3000), исп. №5

0
0
0
0%
0
0%
0
0%
0
0%
0
0%
Нет отзывов о данном товаре.

Вопросы и ответы (FAQ) Вентилятор высокого давления ВВД №6,3 (11,0/3000), исп. №5

Нет вопросов об этом товаре.

Рекомендуемые товары
Недавно просмотренные
New
Вентилятор ВЦП 5-45 (ВРП) №4 исп. №5 (пустотка)
В наличии
Модель: 1013194
35346.00грн.
New
Бытовой центробежный вентилятор Soler & Palau EBB-175 S
В наличии
Модель: 1016519
10257.00грн.
icon_viber Viber icon_teleg Telegram icon_whatsapp WatsApp icon_callback Заказать звонок icon_email Написать на почту