Описание Шкив зубчатый HTD-5M 56/15 TB 1210
Зубчатые шкивы HTD 5M подходят для работы с ремнями профилей HTD и HTS 5M. В этом случае 5М - обозначает шаг зубчиков шкива, что равно 5 мм и этому профилю характерны округлые формы впадинки на шкиву, и соответственно, округлой формы зубчика на ремне.
Шкивы произведены из разных материалов:
- до 64 зубьев сталь
- от 72 зубов чугун
Направляющая обода:
- до 64 зуба с ободками
- от 72 зубов без ободков
Зубчатые шкивы отличаются по способу монтажа, поставляются двух основных типов:
- под расточку посадку
- под коническую втулку
Отличие заключается в том, что в первом случае заказчик получает шкив с предварительно подготовленным отверстием небольшого диаметра и растачивает его до необходимого ему посадочного диаметра. Во втором случае, заказчик получает шкив с отверстием под коническую втулку. Коническая втулка приобретается дополнительно и выбирается конкретно под ваш посадочный диаметр.
Отзывы о Шкив зубчатый HTD-5M 56/15 TB 1210
Вопросы и ответы (FAQ) Шкив зубчатый HTD-5M 56/15 TB 1210
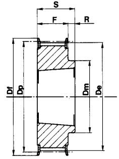
Габаритные размеры Шкив зубчатый HTD-5M 56/15 TB 1210

Модель |
Размеры, мм | |||||||
| Dp | De | Df | Dm | Di | F | S | R | |
| Шкив зубчатый HTD-5M 56/15 TB 1210 | 89,13 | 87,98 | 93 | 70 | - | 22 | 25 | 3 |







