Корзина
Ваша корзина пуста!
Это никогда не поздно исправить :)
Зубчатые шкивы Т2.5 применяется с ремнями профилей Т2.5 из полиуретана (в большинстве случаев).
Направляющая обода:
Зубчатые шкивы отличаются по способу монтажа, поставляются двух основных типов:
Отличие заключается в том, что в первом случае заказчик получает шкив с предварительно подготовленным отверстием небольшого диаметра и растачивает его до необходимого ему посадочного диаметра. Во втором случае, заказчик получает шкив с отверстием под коническую втулку. Коническая втулка приобретается дополнительно и выбирается конкретно под ваш посадочный диаметр.
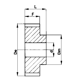
Габаритные размеры Шкив зубчатый T2,5-16

Модель |
Размеры, мм | ||||||
| Dp | De | Df | Dm | F | L | d | |
| Шкив зубчатый T2,5-16 | 38,2 | 37,7 | - | 26 | 10 | 16 | - |