Корзина
Ваша корзина пуста!
Это никогда не поздно исправить :)
Натяжитель цепи Tecnidea Cidue CRESA применяется в механических системах, где используются роликовые цепи и ремни, для восстановления растяжения звеньев цепи, предварительного натяжения ремней и поглощения постоянных вибраций необходимо использовать автоматические натяжители цепей.
Система представляет собой неподвижный натяжительный элемент, закрепленный к фиксированной части оборудования, и подвижный элемент, который непосредственно касается роликовой цепи.
При этом очень важно расположить натяжитель так, чтобы исключить его застревание в ходе работы - как можно ближе к ведущей шестерне внутри или снаружи коробки передач.
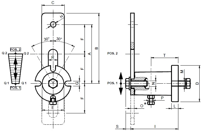
Габаритные размеры Натяжитель цепи Tecnidea Cidue MEP 10

Модель |
Размеры, мм | |||||||||||||||||
| A | B | C | ØD | ØE | F | G | ØH | I | L | M | N | O | P | ØR | ØT | Newton 0°-30° (Pos.1 Q1) | Newton 0°-30° (Pos.2 Q2) | |
| MEP 10 | 80 | 90 | 25 | 40 | 20 | 40 | 7 | 8,5 | 51 | 6 | M06 | M06 | 6 | M4 | 10 | 25 | 0÷85 | 0÷13 |