Корзина
Ваша корзина пуста!
Это никогда не поздно исправить :)
Натяжитель цепи Tecnidea Cidue CRESA применяется в механических системах, где используются роликовые цепи и ремни, для восстановления растяжения звеньев цепи, предварительного натяжения ремней и поглощения постоянных вибраций необходимо использовать автоматические натяжители цепей.
Система представляет собой неподвижный натяжительный элемент, закрепленный к фиксированной части оборудования, и подвижный элемент, который непосредственно касается роликовой цепи.
При этом очень важно расположить натяжитель так, чтобы исключить его застревание в ходе работы - как можно ближе к ведущей шестерне внутри или снаружи коробки передач.
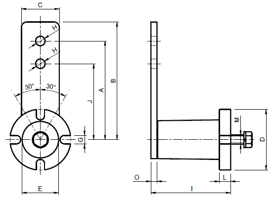
Габаритные размеры Натяжитель цепи Tecnidea Cidue REX 50

Модель |
Размеры, мм | |||||||||||||
| A | B | C | ØD | ØE | G | ØH | I | J | L | M | O | Newton 0°-30° (Arm A) | Newton 0°-30° (Arm J) | |
| REX 50 | 175 | 205 | 60 | 95 | - | 13 | 20,5 | 140 | 140 | 15 | M16 | 10 | 0÷1600 | 0÷2000 |