Корзина
Ваша корзина пуста!
Это никогда не поздно исправить :)
Приводная роликовая двурядная цепь предназначена для силовых механических передач в сельскохозяйственных машинах и механизмах, в частности зерноуборочных и кормоуборочных (фуражных) комбайнах, тракторах, жатках, пресс-подборщиках и т.д.
Цепь состоит из поочередно соединенных внутренних и внешних звеньев, которые при формировании замкнутой цепи дают возможность передавать крутящий момент между параллельно расположенными валами.
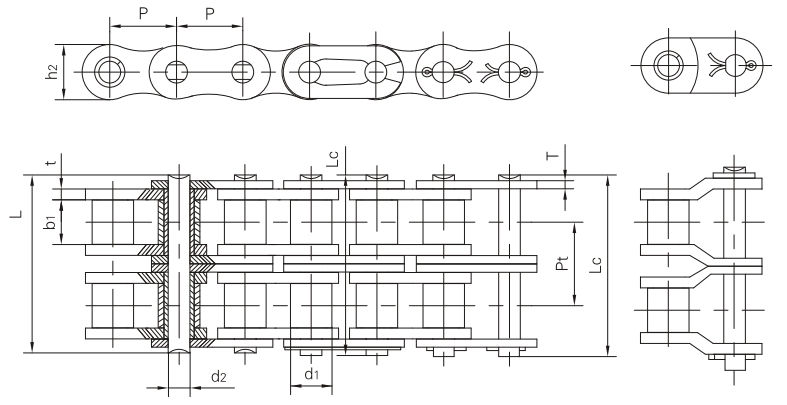
Габаритные размеры Цепь роликовая Vision 16B-2 25,4

Модель |
Размеры, мм | ||||||||
| P | d1 | b1 | d2 | L | Lc | h2 | t/T | Pt | |
| Цепь роликовая Vision 16B-2 25,4 | 25.400 | 15.88 | 17.02 | 8.28 | 68.0 | 69.3 | 21.00 | 4.15/3.1 | 31.88 |