Корзина
Ваша корзина пуста!
Это никогда не поздно исправить :)
Приводная роликовая однорядная цепь предназначена для силовых механических передач в сельскохозяйственных машинах и механизмах, в частности зерноуборочных и кормоуборочных (фуражных) комбайнах, тракторах, жатках, пресс-подборщиках и т.д.
Цепь состоит из поочередно соединенных внутренних и внешних звеньев, которые при формировании замкнутой цепи дают возможность передавать крутящий момент между параллельно расположенными валами.
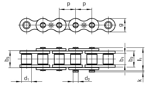
Габаритные размеры Цепь роликовая Wippermann 24B-1 38,1

Модель |
Размеры, мм | |||||||||
| P | b1 | b2 | b3 | d1 | d2 | e | g | k | l1 | |
| Цепь роликовая Wippermann 24B-1 38,1 | 38,1 | 25,4 | 37,9 | 38,2 | 25,4 | 14,63 | - | 33,4 | 6,6 | 53,4 |