Корзина
Ваша корзина пуста!
Это никогда не поздно исправить :)
Электронный однофазный регулятор скорости Soler&Palau REB-2.5 N необходим для контроля за частотой вращения вентиляторов или воздушных завес, что позволяет достичь более продуктивной работы.
Компактный пластиковый корпус и удобная ручка-регулятор делают данное устройство портативным в использовании. Когда вы совершаете поворот ручкой, то меняется и скорость вращения вентилятора. Это необходимо для того, чтобы достичь заданных температурных показателей, а в дальнейшем получить комфортную атмосферу в помещении.
Для большей защиты, регулятор оснащён плавким предохранителем, который защищает механизм от сгорания, а вентилятор или тепловую завесу от поломки.
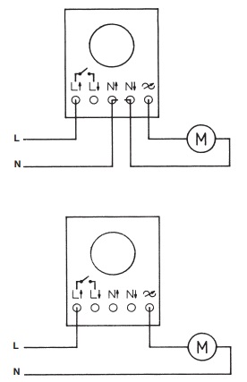
Схема подключения Регулятор скорости Soler&Palau REB-2.5 N
