Описание Реле давления Вентс ДТВ 500
Реле перепада давления воздуха ДТВ 500 применяется для определения наличия разрежения давления или перепада давления воздуха (неагрессивных газов). Прессостат применяется в системах вентиляции для определения загрязненности воздушного фильтра или обрыва приводного ремня центробежного вентилятора, контроля воздушных и противопожарных клапанов, защиты нагревателей от перегрева.
Диапазон давления: 50...500 Па
Количество контактов: 1
Нагрузочная способность контакта: 5 (0.8) 250 В переменного тока А
Механизм сброса: автоматический
Ширина петли гистерезиса: 25 Па +/- 8 Па
Конструкция и управление
Корпус пресcостата изготовлен из пластика. Перепад давления, при котором срабатывает реле, задается поворотом диска в корпусе. В комплекте с реле - 2 пластиковых штуцера для отбора давления из воздуховода, ПВХ трубки диаметром 5 мм и длиной 2 м.
Монтаж
Дифференциальное реле давления приспособлено для установки на стене или в воздуховоды на монтажную рамку с двумя отверстиями под шурупы диаметром 5 мм с межцентровым расстоянием 40 мм. Рекомендуемая ориентация в пространстве - вертикальная, но допустима любая ориентация (при горизонтальной ориентации порог переключения отклоняется от установленного значения на 11 Па).
Трубки подвода давления могут иметь любую длину, однако при длине более 2 м увеличивается время срабатывания реле. Датчик- реле должен устанавливаться выше точек отбора давления. Для предотвращения накопления конденсата трубки должны подключаться так, чтобы они не образовывали петель и мест, в которых может накапливаться вода.

Монтаж при помощи крепежного кронштейна

Отзывы о Реле давления Вентс ДТВ 500
Вопросы и ответы (FAQ) Реле давления Вентс ДТВ 500
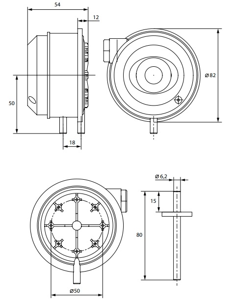
Габаритные размеры Прессостат Вентс ДТВ 500


