Описание Канальный датчик температуры ВЕНТС КДТ2-МК 150
Канальные датчики температуры ВЕНТС КДТ2-МК устанавливаются в воздуховод и используются для измерения температуры воздушного потока при вентиляции или кондиционировании.
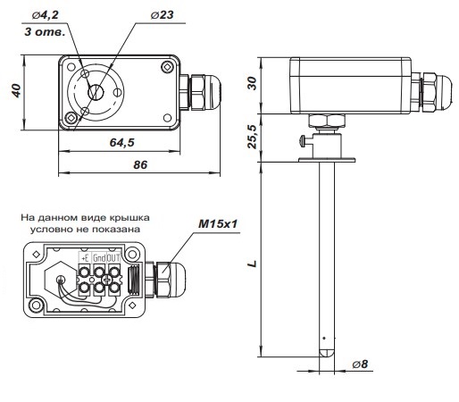
Конструкция
Данные датчики выполнены на базе интегральной платы установленной внутри колбы из алюминия. Данный тип датчиков имеют линейную передаточную характеристику выходного напряжения от температуры и 3-х проводное подключение. Данные датчики не совместимы с резистивными аналогами по способу подключения и требуют соблюдения полярности подключаемых выводов к входам в приточно-вытяжные установки. В датчиках КДТ2-МK для крепления в стенке воздуховода в комплекте поставляется монтажный фланец с фиксирующим винтом. Датчики поставляются с клеммной коробкой и имеют регулируемую длину погружения 100, 150, 200 или 400 мм.
Монтаж
Датчик устанавливается в поток воздуха и крепится к стенке при помощи фланца с тремя отверстиями под шурупы
Схема электрического подключения

Отзывы о Канальный датчик температуры ВЕНТС КДТ2-МК 150
Вопросы и ответы (FAQ) Канальный датчик температуры ВЕНТС КДТ2-МК 150
Габаритные размеры Канальный датчик температуры ВЕНТС КДТ2-МК

Модель |
Размеры, мм |
| L | |
| Канальный датчик температуры ВЕНТС КДТ2-МК 100 | 100 |
| Канальный датчик температуры ВЕНТС КДТ2-МК 150 | 150 |
| Канальный датчик температуры ВЕНТС КДТ2-МК 200 | 200 |











