Пн-Пт 9:00-18:00;
Сб-Вс выходной


Внешний терморегулятор Вентс ТС-1-90

Hit
New
Внешний терморегулятор Вентс ТС-1-90
Модель: 1129640
Оплата
Безналичный платеж с НДС
Безналичный платеж с НДС
Оплата при получении
Оплата при получении
LiqPay
LiqPay
Доставка
Новая почта
Самовывоз
В наличии
637.00грн.

Описание Внешний терморегулятор Вентс ТС-1-90

Терморегулятор предназначен для управления каминными вентиляторами Вентс КАМ Т1, Вентс КАМ Эко Т1, Вентс КАМ ЭкоДуо Т1 и применяется в системе распределения горячего воздуха от камина по помещениям.

Конструкция

  • Корпус терморегулятора изготовлен из металла и оборудован ручкой регулирования температуры.
  • Корпус соединен с измерительной колбой капиллярной трубкой длиной 1 м.
  • Температура отслеживается при помощи измерительной колбы, которая устанавливается непосредственно в теплообменный кожух камина.
  • Термостат включает или выключает каминный вентилятор в зависимости от повышения или понижения температуры воздуха.
  • При превышении установленной температуры - вентилятор включается, а когда температура снижается - вентилятор выключается.

Монтаж

  • Термостат устанавливается на стене в скрытой или наружной монтажной коробке.
  • Температурная колба устанавливается в теплообменный кожух камина.
  • Корпус терморегулятора должен быть установлен вдали от источника нагрева воздуха.

 

Характеристики
Бренд Vents
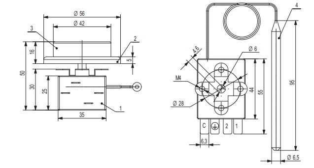
Габаритные размеры (ВхШхГ).0 55 mm
Габаритные размеры (ВхШхГ).1 56 mm
Габаритные размеры (ВхШхГ).2 56 mm
Диаметр измерительной колбы 6.5 mm
Диапазон регулируемых температур 0 - 90 C
Длина измерительной колбы 95 mm
Длина капиллярной трубки 1000 mm
Класс защиты IPX40
Максимальная мощность подключаемого вентилятора 500 vt
Максимальная температура для колбы и капилляра 150 C
Максимальная температура окружающей среды 80 C
Материал корпуса металл
Напряжение 230 B
Страна-производитель Украина
Тип Регулятор температур
Ток 2.2 A

Отзывы о Внешний терморегулятор Вентс ТС-1-90

0
0
0
0%
0
0%
0
0%
0
0%
0
0%
Нет отзывов о данном товаре.

Вопросы и ответы (FAQ) Внешний терморегулятор Вентс ТС-1-90

Нет вопросов об этом товаре.

Габаритные размеры Внешний терморегулятор Вентс ТС-1-90

Недавно просмотренные
New
Труба дымоходная двустенная d150/220/0.25 нерж/оц AISI 304 0.5 мм
В наличии
Модель: 1131824
857.00грн.
Hit
New
Редуктор червячный одноступенчатый 2Ч-63
In Stock
Модель: 1015603
0.00грн.
New
Приточно-вытяжная установка ВЕНТС ВУТ 350 ПЭ ЕС
В наличии
Модель: 1010598
85174.00грн.
icon_viber Viber icon_teleg Telegram icon_whatsapp WatsApp icon_callback Заказать звонок icon_email Написать на почту