Пн-Пт 9:00-18:00;
Сб-Вс выходной


Осевой вентилятор Тепломаш ВО-6М400

New
Осевой вентилятор Тепломаш ВО-6М400
Модель: 1116091
Оплата
Безналичный платеж с НДС
Безналичный платеж с НДС
Оплата при получении
Оплата при получении
LiqPay
LiqPay
Доставка
Новая почта
Самовывоз
In Stock
0.00грн.

Описание Осевой вентилятор Тепломаш ВО-6М400

Принцип работы вентилятора состоит в передаче энергии от вращающего рабочего колеса потоку воздуха  за счет аэродинамического воздействия на него колесными лопатками. Температурный диапазон составляет -30 - +40. Вентиляторы данного вида устанавливаются в помещениях, воздух которых содержит 10мг/м3 твердых примесей и не вмещает липких примесей.

Применение осевого вентилятора Тепломаш ВО-6М400

  • в холодильной технике и оборудовании;
  • на производственных предприятиях сельскохозяйственного назначения;
  • в воздушном отоплении и вентилирующих системах;
  • в общественных, жилых и производственных зданиях;
  • в технологических установках;

Особенности и преимущества

  • устройство низкого давления;
  • на защитной решетке крепится статор;
  • лопатки приварены к ротору;
  • воздушный поток направляется от решетки;
  • на роторе есть специальное выводящее конденсат отверстие;
  • ротор размещен на подшипниках шариковой формы (ширикоподшипниках);
  • защита соответствует классу IP44;
  • вентилятор покрыт защитным лаковым покрытием черного цвета.

Условия эксплуатации

  • вентилятор осевой с внешнероторным двигателем имеет климатическое исполнение У2 по ГОСТ 15150 – 69 (диапазон температуры среды -30...+40);
  • окружающая среда не должна содержать липко-волокнистых материалов. Содержание твёрдых примесей до10 мг/м3 среднеквадратическая виброскорость не должна превышать 6,3 мм/с.

Принцип работы осевого агрегата с внешнероторным двигателем состоит в передачи механической энергии от рабочего колеса которое вращается с помощью электродвигателя потоку воздуха путём воздействия (аэродинамического) на него лопатками колеса.

 

Характеристики
Бренд Тепломаш
Климатическое исполнение У2
Количество лопаток 5 qty
Напряжение 220 B
Предел загрязненности 10 mgm3
Страна-производитель Россия
Частота тока 50 Hz

Отзывы о Осевой вентилятор Тепломаш ВО-6М400

0
0
0
0%
0
0%
0
0%
0
0%
0
0%
Нет отзывов о данном товаре.

Вопросы и ответы (FAQ) Осевой вентилятор Тепломаш ВО-6М400

Нет вопросов об этом товаре.

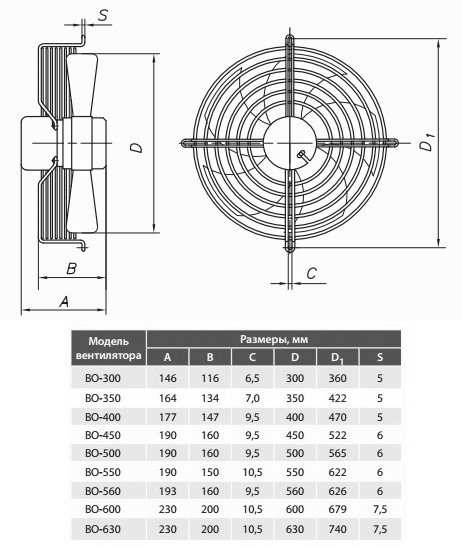
Габаритные размеры осевого вентилятора Тепломаш ВО-6М400

Габаритные размеры осевого вентилятора Тепломаш ВО-6М400

Рекомендуемые товары
Недавно просмотренные
New
Электропривод Belimo LU24A-SR
In Stock
Модель: 1012403
9700.00грн.
New
Электропривод Belimo EF24A-S2
In Stock
Модель: 1012423
32000.00грн.
New
Электропривод Belimo EF230A
In Stock
Модель: 1012424
34300.00грн.
New
Редуктор цилиндрический двухступенчатый 1Ц2У-100
New
Шумоглушитель ВЕНТС СР 160/900 круглый
В наличии
Модель: 1123485
2624.00грн.
New
Редуктор червячный одноступенчатый Ч-200
In Stock
Модель: 1015601
0.00грн.
New
Гибкая вставка В.00.00-06
В наличии
Модель: 1118175
674.00грн.
Hit
New
Изолента Neo Tools 0.13X15 10м
In Stock
Модель: 1124788
0.00грн.
Sale
Hit
New
Гибкая вставка В.00.00-05
В наличии
Модель: 1118174
820.00грн. 0 % 820.00грн.
New
Электропривод Belimo SF24A
In Stock
Модель: 1012417
13000.00грн.
icon_viber Viber icon_teleg Telegram icon_whatsapp WatsApp icon_callback Заказать звонок icon_email Написать на почту