Корзина
Ваша корзина пуста!
Это никогда не поздно исправить :)
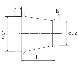
Переход применяется для комплектации вентиляционных каналов помещений различной направленности, способствуя соединению выходных патрубков широкого диаметра с патрубком диаметра поменьше. Это необходимо для формирования сложных систем вентиляционных каналов спирально-навивной формы, или любых других металлических конструкций. Переход обладает специальными ограничителями, котррые в значительной мере упрощают монтаж воздуховодных каналов.
Габаритные размеры Переход ВЕНТС 1000/710

Модель |
Размеры, мм | ||||
| d1 | d2 | l1 | l2 | L | |
| Переход ВЕНТС 1000/710 | 1000 | 710 | 100 | 80 | 448 |