Корзина
Ваша корзина пуста!
Это никогда не поздно исправить :)
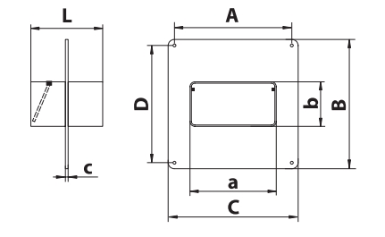
Габаритные размеры Соединитель каналов ВЕНТС 60x204

Модель |
Размеры, мм | |||||||
| a | b | c | A | B | C | D | L | |
| Соединитель каналов ВЕНТС 60x204 | 204 | 60 | 3 | 229 | 154 | 242 | 141 | 186 |