Пн-Пт 9:00-18:00;
Сб-Вс выходной


Тройник угловой ВЕНТС 45° 200

Hit
New
Тройник угловой ВЕНТС 45° 200
Модель: 1125268

Оплата
Безналичный платеж с НДС
Безналичный платеж с НДС
Оплата при получении
Оплата при получении
LiqPay
LiqPay
Доставка
Новая почта
Самовывоз
В наличии
825.00грн.

Описание Тройник угловой ВЕНТС 45° 200

Тройник применяется в вентиляционных каналах помещений различной направленности, способствуя соединению выходных патрубков с другими вентиляционными каналами, для разветвления в три стороны, одна из которых идет под углом 45°C. Это способствует формированию сложных систем вентиляционных каналов спирально-навивной формы, или любых других металлических конструкций. Тройник обладает специальными ограничителями, котррые в значительной мере упрощают монтаж каналов систем вентиляции.

Преимущества

  • Тройник производят из оцинкованной стали, которая совершенно не восприимчива к коррозийным образованиям;
  • Ограничители помогают состыковке тройника к вентиляционному каналу;
  • Повышенный уровень прочности гарантирует продуктивную работу на протяжении длительного времени.

 

Характеристики
Бренд Vents
Диаметр (мм) 200 mm
Материал корпуса оцинкованная сталь
Подходит Для круглых каналов
Страна-производитель Украина
Тип тройник
Толщина стали 0.5 mm

Отзывы о Тройник угловой ВЕНТС 45° 200

0
0
0
0%
0
0%
0
0%
0
0%
0
0%
Нет отзывов о данном товаре.

Вопросы и ответы (FAQ) Тройник угловой ВЕНТС 45° 200

Нет вопросов об этом товаре.

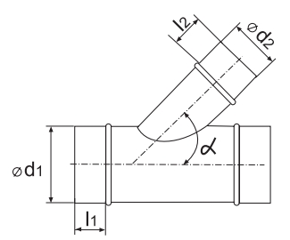
Габаритные размеры Тройник угловой ВЕНТС 45° 200


Модель
Размеры, мм
d1 d2 L l1 l2
Тройник угловой ВЕНТС 45° 200 200 200 45 50 50
Рекомендуемые товары
Недавно просмотренные
Hit
New
Решетка Вентс МВ 120 КВс
В наличии
Модель: 1125515
204.00грн.
Hit
New
Канальный вентилятор MMotors MT-VO 90
В наличии
Модель: 1127335
870.00грн.
New
Анемостат металлический приточный Dospel ANM Ø250
In Stock
Модель: 1124659
0.00грн.
icon_viber Viber icon_teleg Telegram icon_whatsapp WatsApp icon_callback Заказать звонок icon_email Написать на почту