Корзина
Ваша корзина пуста!
Это никогда не поздно исправить :)
Тройник используется в вентиляционных каналах помещений различной направленности, способствуя соединению выходных патрубков с другими вентиляционными каналами, для разветвления в три стороны. Это способствует формированию сложных систем вентиляционных каналов спирально-навивной формы, или любых других металлических конструкций. Тройник обладает специальными ограничителями, котррые в значительной мере упрощают монтаж каналов систем вентиляции.
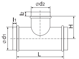
Габаритные размеры Тройник ВЕНТС 900

Модель |
Размеры, мм | |||||
| d1 | d2 | l1 | l2 | L | H | |
| Тройник ВЕНТС 900 | 900 | 900 | 100 | 100 | 980 | 510 |