Описание Амортизатор резино-металлический 25-20 тип KK-5
Применение виброизоляторов в промышленности и промышленной вентиляции вызвано негативным воздействием вибрации на организм человека, а вызванные ею колебания строительных конструкций часто являются помехой технологическому процессу. Поэтому агрегаты с динамическими нагрузками- вентиляторы, рекомендуется жестко монтировать на пригрузочной железобетонной плите или металлической раме, которая должна опираться на виброизоляторы.
Виброизоляторы резиновые применяются для снятия шума и вибрации на средних и высоких частотах, создаваемых вентиляторами, и предназначены для комплектации вентиляторов. Так же для изоляции от механических колебаний, распространяющихся по конструкциям и механизмам, на которых установлены вентиляторы. В результате работы виброизоляторов происходит гашение и изоляция динамических нагрузок, снижается уровень шума и объем вредных механических воздействий. Это помогает защитить от поломки смежную аппаратуру и обеспечить безопасность обслуживающего персонала.
Виброизоляторы наиболее эффективны, когда применяются при числе оборотов колеса от 400-500 оборотов в минуту и более.
Виброизолятор этого типа представляет собой резино-металлическую опору, в которой резина используется в качестве виброгасящего материала. Резиновые виброизоляторы отличаются от пружинных повышенной жесткостью.
Виброизоляторы могут быть нескольких типов креплений: под гайку, под болт или шпильку, а также комбинированные.
Отзывы о Амортизатор резино-металлический 25-20 тип KK-5
Вопросы и ответы (FAQ) Амортизатор резино-металлический 25-20 тип KK-5
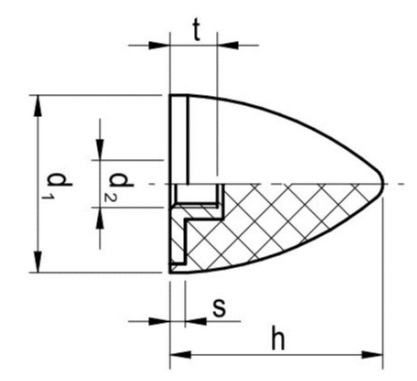
Габаритные размеры Амортизатор резино-металлический 25-20 тип KK-5

Модель |
Размеры, мм | ||||
| d1 | h | d2 | t | s | |
| Амортизатор резино-металлический 25-20 тип KK-5 | 25 | 20 | 6 | 6 | 2 |







