Вентиляторы пылевые ВЦП 5-45 (ВРП)

Пылевые вентиляторы ВЦП 5-45 (ВРП) и их особенности
В промышленных вытяжных системах разного назначения устанавливается вентилятор ВЦП 5-45. Он представляет собой центробежное радиальное устройство, которое является основным функциональным элементом воздуховодных систем.
Принцип действия пылевого вентилятора
Агрегат предназначен для перемещения и выведения из помещения разных типов газовоздушных смесей, в том числе содержащих:
- пыль;
- мелкие частицы цемента;
- металлическую или деревянную стружку и прочие отходы производства;
- пыль от натуральных тканей и других материалов;
- опилки.
Допустимая концентрация удаляемых веществ не должна превышать 1 кг/м3.

Пылевые вентиляторы ВЦП 5-45 (ВРП) оснащены электродвигателями, которые передают механическую энергию к рабочему колесу. Последнее в процессе вращения всасывает воздух через входное отверстие. Путем воздействия центробежной силы лопатки выбрасывают массы к выходной части спирального корпуса.

Где используются вентиляторы ВЦП 5-45
Устройства такого типа монтируются в следующих системах:
- вентиляции и кондиционирования;
- охлаждения;
- сушки, воздушного отопления;
- пылеочистительных установок;
- пневматического транспорта.
Оборудование монтируют в производственных помещениях, на элеваторах, в цехах, торговых центрах, магазинах и на прочих объектах.
Технические характеристики ВЦП 5-45
Эти устройства в ассортименте представлены в интернет-магазине «Провент». Прежде чем купить пылевые вентиляторы ВЦП 5-45, следует разобраться в их особенностях, чтобы подобрать правильно.
Подробнее о характеристиках на примере нескольких моделей:
|
Модель |
Напряжение |
Давление, Па |
Мощность |
Диаметр воздуховода, мм |
|
ВЦП 5-45 (ВРП) №3 |
380 В |
600–1260 |
0,75 |
315 |
|
ВЦП 5-45 (ВРП) №3,15 |
380 В |
1150–1150 |
1,5 |
315 |
|
ВЦП 5-45 (ВРП) №3,15 (2,2/3000) |
380 В |
1070–1070 |
2,2 |
315 |
|
ВЦП 5-45 (ВРП) №3,15 (3/3000) |
380 В |
1036–1485 |
3 |
315 |
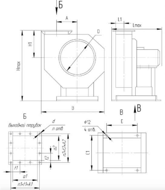
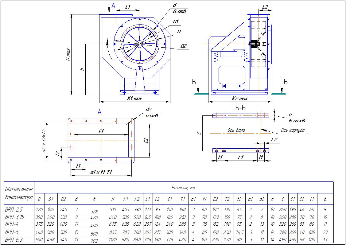
Конструктивные особенности ВЦП (ВРП) 5-45
Основным узлом вентилятора является рабочее сварное колесо со ступицей и радиальными лопатками. Корпус отводит от него воздух и частично преобразует динамическое давление потока в статическое.
В конструкции присутствует также сварная станина, на нее крепится вал с двумя подшипниками и шкивами с защитой. На ее основе наносятся отверстия, с помощью которых агрегат фиксируется к фундаменту.

Габариты и схемы чертежей
Рассмотрим пылевые вентиляторы ВЦП 5-45 (ВРП) на примере модели №5 (2,2/1500), исп. №1.

Преимущества использования улиток ВРП 5-45
Данные вентустановки имеют такие достоинства:
- Агрегаты отличаются надежной конструкцией и высокой производительностью, выполнены из качественных материалов.
- Узлы обрабатывают порошковой краской для защиты от коррозии.
- Каждая модель комплектуется электродвигателем с большим эксплуатационным ресурсом.
Подробнее узнать и подобрать вентиляционное и другое оборудование можно проконсультировавшись со специалистами компании “Провент”.
Отзывы о товарах из категории Вентиляторы пылевые ВЦП 5-45 (ВРП)
Часто задаваемые вопросы о Вентиляторы пылевые ВЦП 5-45 (ВРП)
❓ Какая цена на Вентиляторы пылевые ВЦП 5-45 (ВРП)?
❓ Какие товары самые популярные в категории Вентиляторы пылевые ВЦП 5-45 (ВРП)?
❓ Какой самый дешевый товар в каталоге Вентиляторы пылевые ВЦП 5-45 (ВРП)?
❓ Какие новые поступления в данном разделе?
Цены на вентиляторы пылевые вцп 5-45 (врп) в магазине Провент
| Вентилятор пылевой ВЦП 5-45 (ВРП) №8 (45/1500), исп. №5 | 129645.00грн. |
| Вентилятор пылевой ВЦП 5-45 (ВРП) №8 (37/1500), исп. №5 | 120056.00грн. |
| Вентилятор пылевой ВЦП 5-45 (ВРП) №8 (30/1500), исп. №5 | 113305.00грн. |
| Вентилятор пылевой ВЦП 5-45 (ВРП) №8 (22/1500), исп. №5 | 107973.00грн. |
| Вентилятор пылевой ВЦП 5-45 (ВРП) №8 (11/1000), исп. №5 | 103071.00грн. |
Основная информация про вентиляторы пылевые вцп 5-45 (врп)
| ✅ Категория | Вентиляторы пылевые ВЦП 5-45 (ВРП) |
| ▶️ Количество товаров в каталоге | 61 |
| ✅ Средняя стоимость | 50561.66грн. |
| ✅ Самая низкая стоимость | 3655.00грн. |
| ⭐ Самая высокая стоимость | 129645.00грн. |























