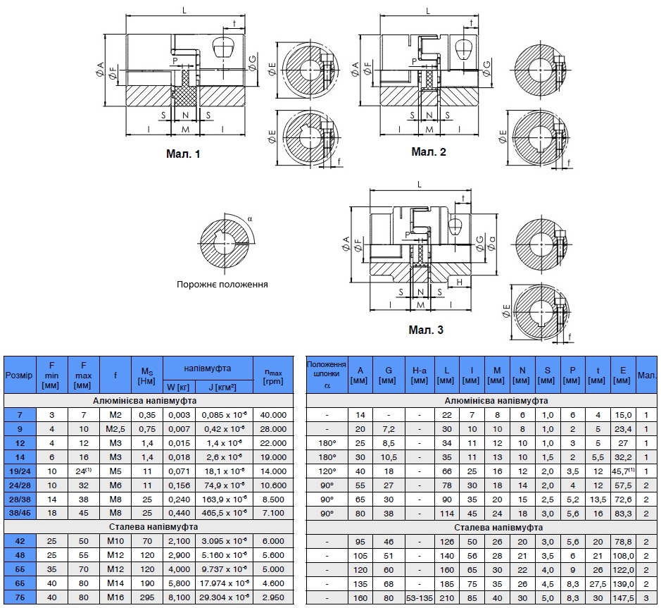
Опис Алюмінієва безлюфтова напівмуфта M 14 12-15
Муфта кулачкова прецизійна безлюфтова TRASCO-ES служить для з'єднання ведучого (двигун, редуктор) та веденого (редуктор, вал трансмісії тощо) елементів приводу.
Безлюфтові муфти складаються з наступних елементів: двох високоточних маточок (алюмінієвих або сталевих) та поліуретанового еластичного елемента (зірочки).
Завдяки спеціальної конструкції поліуретанових зірочок та вищому класу точності розмірів кулачків маточини досягається нульовий люфт муфт у зборі. Це дозволяє їх використовувати у високоточному устаткуванні, наприклад, у верстатах з ЧПУ.
Спеціально розроблені муфти TRASCO®ES з нульовим люфтом призначені для компенсації зміщення та гасіння вібрації. Компактний дизайн робить ці муфти оптимальним рішенням для будь-якого високоточного обладнання.
Застосування
- сервоприводи
- робототехніка
- розсувні системи
- контролери в металообробних верстатах
- ШВП
Відгуки про Алюмінієва безлюфтова напівмуфта M 14 12-15
Питання та відповіді (FAQ) Алюмінієва безлюфтова напівмуфта M 14 12-15












