Опис Частотний перетворювач Danfoss VLT Micro Drive FC 51 0,75 кВт /3 фаз. (132F0018)
Danfoss VLT Micro Drive FC 51 0,75 кВт /3 фаз. (132F0018)- трифазний частотний перетворювач використовується з метою регулювання та налаштування номінального рівня потужності, а також продуктивності насосного, вентиляційного устаткування, конвеєрних стрічок, тельферних підйомників, шнеків і іншого подібного обладнання. Частотний перетворювач даної серії володіє великим набором корисних функцій і підходить для промислових комплексів різноманітної спрямованості, для автомайстерень. Модель також буде корисна на заводах з виробництва технічної та харчової продукції, в складах.
Частотний перетворювач Danfoss VLT Micro Drive FC 51 0,75 кВт / 3 фаз. (132F0018)володіє компактною і ергономічною формою, що в кілька разів дозволяє спростити процес установки і введення в експлуатацію.
| Мережа живлення (L1 \ L, L2, L3 \ N) | |
| частота мережі | 50/60 Гц |
| Максимальна короткочасна асиметрія фаз | 3% від номінальної напруги |
| Коефіцієнт активної потужності | >= 0,4 при номінальному навантаженні |
| Коефіцієнт реактивної потужності | >0,98 |
| Включень по входу L1 / L, L2, L3 / N | Не більше 2 разів на хвилину |
| Умови навколишнього середовища відповідно до EN60664-1 | Категорія перенапруги III / ступінь забруднення 2 |
| перевантажувальна здатність | 150% - 1мінута |
| управління | векторне або скалярний |
| Вихідні характеристики (U, V, M): | |
| Вихідна напруга | 0-100% від вхідного номінального |
| Вихідна частота | 0-200 Гц (VVC +), 0-400 Гц (u / f) |
| Число перемикань на виході | НЕ обмежено |
| Час розгону / гальмування | 0,05-3600 сек. |
| цифрові входи | |
| Кількість програмованих дискретних входів | 5 |
| логіка | PNP або NPN |
| рівень напруги | 0-24 |
| Максимальна напруга на вході | 28 В |
| Вхідний опір, Ri | Близько 4 кОм |
| імпульсний вхід | |
| Програмований імпульсний вхід | 1 |
| рівень напруги | 0-24 В (PNP позитивна логіка) |
| Точність входу (0,1-110 кГц) | похибка 0,1% від повної шкали |
| Частота на вході | 20-5000 Гц |
| Вхідний опір, Ri | Близько 2 кОм |
| інтервал сканування | 13,3 мс |
| Розширення | 10 біт |
| Аналогові входи: | |
| Число аналогових входів | 2 |
| режими | 1 -токовий, 1 -переключаемий (напруга або струм) |
| Вхідний опір, Ri | Близько 10 кОм |
| Максимальна напруга | 20 В |
| рівень струму | Від 0/4 до 20 мА (масштабований) |
| рівень напруги | 0-10 В (масштабований) |
| Максимальний струм | 30 мА |
| Дозвіл аналогових входів | 10 біт (+ знак) |
| Аналоговий вихід: | |
| Програмований аналоговий вихід | 1 |
| рівень струму | від 0/4 до 20 мА |
| Максимальне навантаження | 500 Ом |
| точність | 1% від повної шкали |
| Дискретні / частотні виходи: | |
| Число програмованих дискретних / імпульсних виходів | 1 |
| Рівень напруги на дискретній / частотному виході | 0-24 В (PNP позитивна логіка) |
| Максимальний вихідний струм (приймач або джерело) | 25 мА |
| Максимальне навантаження частотного виходу | 1 кОм |
| Максимальна емкостная навантаження на частотному виході | 10 нФ |
| Мінімальна вихідна частота на частотному виході | 16 Гц |
| Максимальна вихідна частота на частотному виході | 10 кГц |
| Похибка частотного виходу | Максимальна помилка: 0,2% повної шкали |
| Дозвіл частотних виходів | 10 біт |
| Внутрішній джерело живлення | |
| Вхідна напруга | 10,5 ± 0,5 В, 24 ± 0,5 В |
| Максимальне навантаження (10В) | 25 мА |
| Максимальне навантаження (24В) | 100 мА |
| релейні виходи | |
| Програмовані релейні виходи | 1 |
| Максимальне навантаження на клемах | 240В, 2А |
| Комунікація з шинами передачі даних | |
| FC Protocol, Modbus RTU | |
| Довжина кабеля | |
| Максимальна довжина екранованого (Броньованого) кабелю двигуна |
15 м |
| Максимальна довжина неекранованого (Неброньованого) кабелю двигуна |
50 м |
| Навколишнє середовище, виконання приводу | |
| корпус | IP20 |
| вібрація | 0,7 G |
| Вологість | 5 - 95% (IEC 721-3-3; клас 3К3 (без конденсації під час роботи)) двигуна |
| Агресивне середовище | IEC 721-3-3; клас покриття 3С33 |
| Макс. температура середовища | 50 ° C |

Головні особливості частотного перетворювача Danfoss FC 51
- Спрощена установка - монтаж проводиться на стіну, це зменшує область використовуваного простору. Ергономічна форма дає можливість встановлювати частотні перетворювачі впритул один до одного, не знижуючи продуктивність.
- Ергономічна форма - за рахунок невеликих габаритів установки, а також мінімальних вимог для введення в експлуатацію, тепер з'явилася можливість економити місце в панелях і знижувати витрати на установку.
- Простота в підключенні і налаштуванні - модель володіє великим набором корисних функцій і розрахована на виконання складних завдань. Для оптимізації в енергоефективності, а також в функціонування, коли є можливість в налаштуванні близько 100 параметрів.
- Зручне і просте управління - частотний перетворювач може йти в комплекті з панеллю керування, яка не входить до комплекту.
- Дана модель відповідає високим показникам європейської якості, гарантуючи тривалу і безперебійну роботу.
переваги

- Легко вписується в будь-яке планування за рахунок своєї компактної форми;
- Гарантія якісного тепловідведення, з підвищеними показниками ефективності;
- Для швидкого встановлення демонтажу або ремонту передбачена операторська панель з можливістю швидкої зйомки;
- Комплектація ПІ-регулятором всього процесу;
- Компаундне покриття плати;
- Комплектація фільтром для придушення і перетворення перешкод радіочастот;
- Зручний і логічно продуманий інтерфейс панелі управління;
- 5 аналогових входу: старт / стоп, скидання, підключення термистора і т.д. Аналоговий і релейний прохід для струму (0-20 мА) - ~ 240В / 2А;
- Вбудована функція RS-485 FC-bus призначена для повного управління та контролю торцевих приводом;
- Modbus RTU.
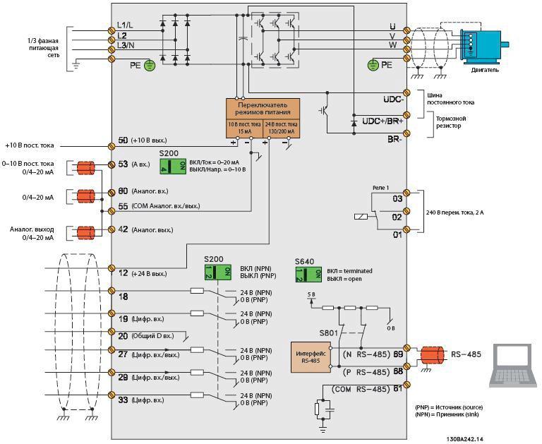
Схема електричних з'єднань перетворювача частоти Danfoss VLT Micro Drive FC-51


















