Опис Осьовий вентилятор MAER 4E-300-S
Застосування промислового вентилятора MAER 4E-300 YDWF68L35P4-360N-300
Вентилятори MAER 4E-300 можна використовувати на підприємствах, в житлових приміщеннях з високими показниками рівня вологості. Вентилятори застосовуються для вентиляції, повітряного опалення та для виробничих цілей.
Конструкція промислового вентилятора MAER 4E-300
Сітка і крильчатка вентилятора виготовлені зі сталі, покритої термо-реактивним порошковим покриттям. Швидкість оберту двигуна вентилятора можна регулювати за допомогою регуляторів швидкості обертання. Режим роботи вентилятора знаходиться в діапазоні від -40 ° C до +75 ° C температури навколишнього середовища. Всі однофазно вентилятори MAER оздоблені вбудованим тепловим захистом 150 ± 5 ° С, і пусковим конденсатором відповідної потужності.
Монтаж промислового вентилятора MAER 4E-300
Вентилятори працюватимуть правильно, незалежно від того, чи встановлені вони вертикально, горизонтально вгору або вниз по горизонталі.
Відгуки про Осьовий вентилятор MAER 4E-300-S
Питання та відповіді (FAQ) Осьовий вентилятор MAER 4E-300-S
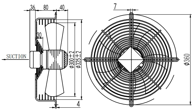
Габаритні розміри Осьовий вентилятор MAER 4E-300-S


















