Опис Реле тиску Вентс ДТВ 500
Реле перепаду тиску повітря ДТВ 500 застосовується для визначення наявності розрідження тиску або перепаду тиску повітря (неагресивних газів). Прессостат застосовується в системах вентиляції для визначення забрудненості повітряного фільтра або обриву приводного ременя відцентрового вентилятора, контролю повітряних та протипожежних клапанів, захисту нагрівачів від перегріву.
Діапазон тиску: 50...500 Па
Кількість контактів: 1
Здатність до навантаження: 5 (0.8 ) 250 В змінного струму А
Механізм скидання: автоматичний
Ширина петлі гістерезису: 25 Па +/- 8 Па
Конструкція та керування
Корпус пресстату виготовлений із пластику. Перепад тиску, при якому спрацьовує реле, визначається поворотом диска в корпусі. У комплекті з реле - 2 пластикові штуцери для відбору тиску з повітроводу, ПВХ трубки діаметром 5 мм і довжиною 2 м.
Монтаж
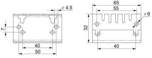
Диференційне реле тиску пристосоване для встановлення на стіні або в повітропроводи на монтажну рамку з двома отворами під шурупи діаметром 5 мм з міжцентровою відстанню 40 мм. Рекомендована орієнтація у просторі – вертикальна, але допустима будь-яка орієнтація (при горизонтальній орієнтації поріг перемикання відхиляється від встановленого значення на 11 Па).
Трубки підведення тиску можуть мати будь-яку довжину, проте при довжині більше 2 м збільшується час спрацьовування реле. Датчик реле повинен встановлюватися вище точок відбору тиску. Щоб запобігти накопиченню конденсату, трубки повинні підключатися так, щоб вони не утворювали петель і місць, в яких може накопичуватися вода.

Монтаж за допомогою кріпильного кронштейна

Відгуки про Реле тиску Вентс ДТВ 500
Питання та відповіді (FAQ) Реле тиску Вентс ДТВ 500
Габаритні розміри Прессостат Вентс ДТВ 500







